Магия из кино. Надёжность космического корабля.
Проектируем и внедряем премиальные системы умного дома под ключ: свет, климат, безопасность, сеть и инженерка. Сначала — архитектура и документация, затем — красивые сценарии.
Проектируем и внедряем премиальные системы умного дома под ключ: свет, климат, безопасность, сеть и инженерка. Сначала — архитектура и документация, затем — красивые сценарии.
Мы строим систему, которая переживёт ремонт, обновления и смену привычек — как «нервная система» дома. Базовые функции остаются локальными: без зависимости от облака и нестабильного интернета.
Критичные сценарии (климат, безопасность, свет) работают на объекте. Дом продолжает «жить», даже если интернет пропал.
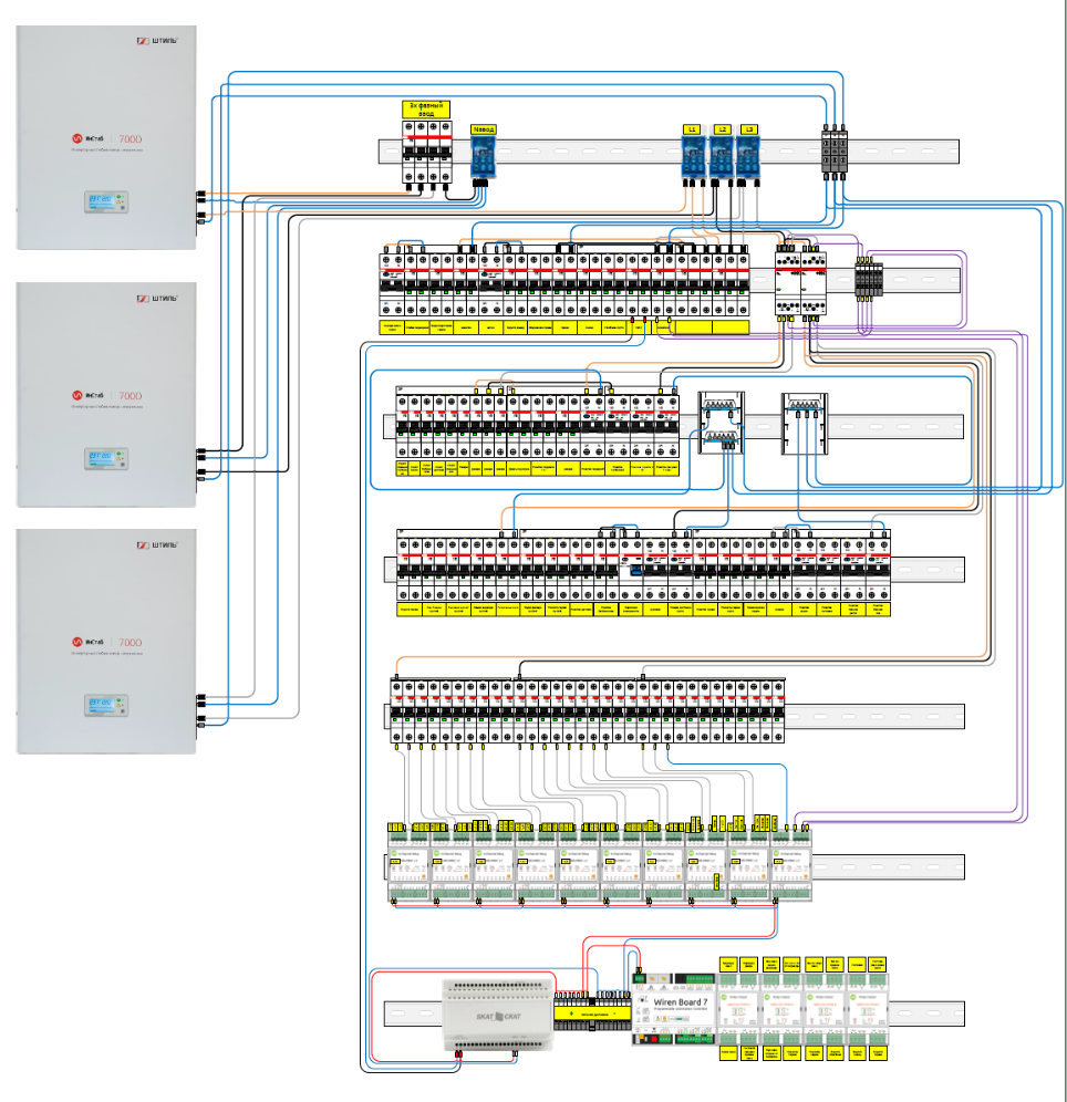
Платформа и автоматика рассчитаны на многолетнюю работу. Инженерия прячется в щите — интерьер остаётся чистым.
Схемы, маркировка и логика — чтобы систему можно было обслуживать и расширять через годы.
Одна команда = десятки действий: свет, шторы, климат, безопасность. Красиво — потому что сделано инженерно правильно.
Премиум‑результат начинается не с приложения, а с базы: электрика, слаботочка и связь. Поэтому мы начинаем с проектирования и культуры монтажа.
Свежий воздух без сквозняков, контроль CO₂ и мягкая логика вентиляции — чтобы дом заботился незаметно.
Берём на себя координацию со строителями: проект → монтаж → пусконаладка → поддержка и развитие.
Понимаем привычки семьи/бизнеса и ограничения ремонта. Формируем список сценариев.
Определяем платформу, сеть, состав оборудования, логику климата и безопасности.
Щит, кабели, сервер, приложение и панели — сдаём систему “как продукт”.
Удалённый мониторинг, сезонная перенастройка, новые сценарии без разрушения ремонта.
Начать можно с малого — система масштабируется и развивается под стиль жизни или бизнес‑сценарии.
Комфорт без лишних действий: сцены света, диммирование, ночная подсветка, голос, понятное управление.
Инженерка и безопасность: климат, котельная, полив, уведомления, удалённый контроль и резервные сценарии.
Премиальный опыт гостя + автоматизация задач: голосовые сценарии, сцены света, интеграции с бизнес‑системами.
Для дизайнеров, архитекторов, прорабов и электриков. Мы берём ответственность за IT и автоматизацию, защищая вашу репутацию и экономя время.
Никакого визуального шума: датчики заподлицо, выключатели и панели — аккуратно и по проекту.
Понятное ТЗ до первого провода: схемы освещения, силовые линии, СКС, маркировка и этапность.
Работаем с разными платформами и оборудованием под дизайн и бюджет: WirenBoard / Home Assistant, Loxone / KNX и др.
Если возникает вопрос — звонят нам, а не вам. Поддержка, диагностика и развитие годами.



Можно отправить клиенту или партнёру — как быстрый “one‑pager”.
Отвечаем быстро. Можно позвонить или отправить заявку — она сформируется письмом на email.
Ростов‑на‑Дону • Краснодар • Сочи • Москва